靜力水準儀液體罐
靜力水準儀液體罐跟差壓式液壓靜力水準儀配套使用,通過測量若干個相互聯通的安裝于被測量點儲液罐液面高度與測量基點(不動點)液罐液面高度的相對變化,反推出各個儲液罐安裝位置相對位置沉降變化量的一種精密儀器。
靜力水準儀液體罐跟差壓式液壓靜力水準儀配套使用,通過測量若干個相互聯通的安裝于被測量點儲液罐液面高度與測量基點(不動點)液罐液面高度的相對變化,反推出各個儲液罐安裝位置相對位置沉降變化量的一種精密儀器。
應用領域
軌道交通路基沉降監測
地鐵支撐墻沉降監測
隧道上部山體及建筑物
高速公路路基、邊坡沉降檢測
橋墩、基坑沉降檢測
大壩及水利樞紐、高層建筑的基礎
核電站、大型水電站
綜合管廊沉降監測
安裝示意圖

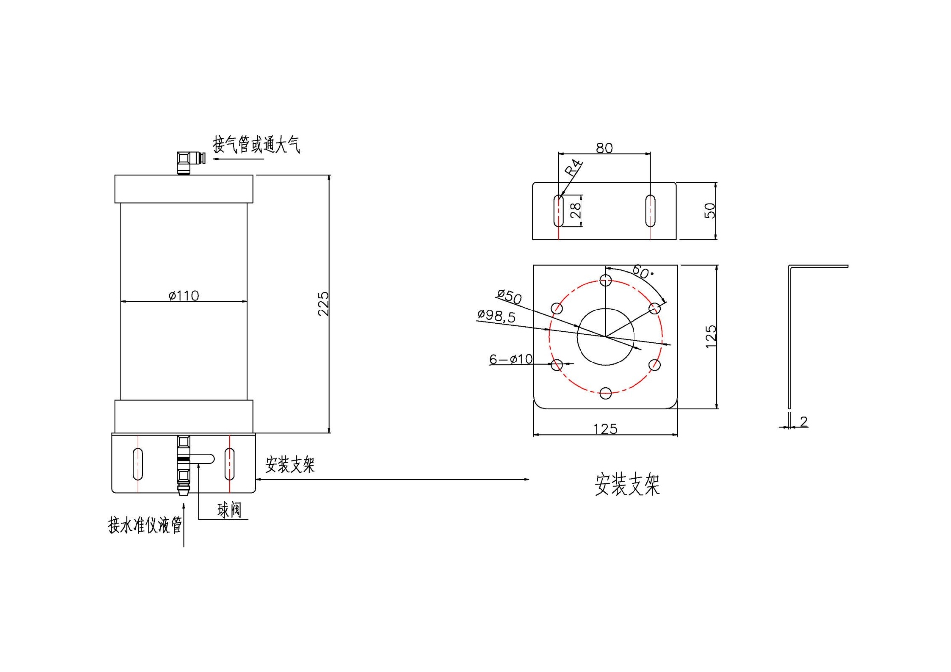
產品尺寸
靜力水準儀3#亞克力儲液灌(容量1.5L)

靜力水準儀2#不銹鋼儲液灌(容量5L)
(略)
聯系電話
微信掃一掃
